Chevrolet Sonic Repair Manual: Clutch and Differential Housing Disassemble
Special Tools
- M-680770 Universal Sliding Mallet
- R-0007758 Holding Fixture
- R-0407008 Counter Shaft Bearing Remover
- R-0407010 Input Shaft Needle Bearing Puller and Driver
- R-0407013 Gearshift Device Bushing Puller
- R-0007761 Universal Handle for Pullers and Installers
- T-0207928 Retainer Remover
For equivalent regional tools, refer to Special Tools.
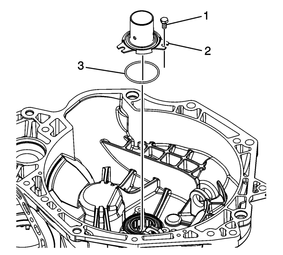
- Remove the vehicle speed sensor bolt (1) and vehicle speed sensor assembly (2).
- Remove and discard the vehicle speed sensor O-ring seal (3).
- Remove the transmission magnet (1).
- Using the T-0207928 retainer remover (3) with the M-680770
sliding mallet (2) remove the front wheel drive shaft oil seal assembly (1).
- Remove the clutch yoke shaft bushings (1).
- Remove the clutch release bearing collar bolt (1).
- Remove the clutch release bearing collar (2).
- Remove the clutch release bearing collar O-ring seal (3).
- Remove the input shaft front bearing assembly (3) using the R-0407010
driver (2) and the R-0007761 handle (1).
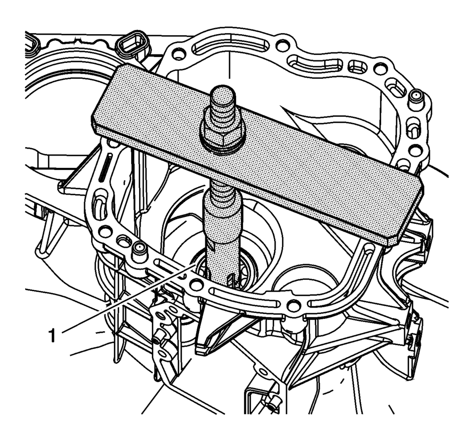
- Remove the main shaft front bearing assembly (1) using the R-0407008
remover .
- Remove the shift shaft bushings (3) using the R-0407013 puller (2)
and the M-680770 mallet (1).
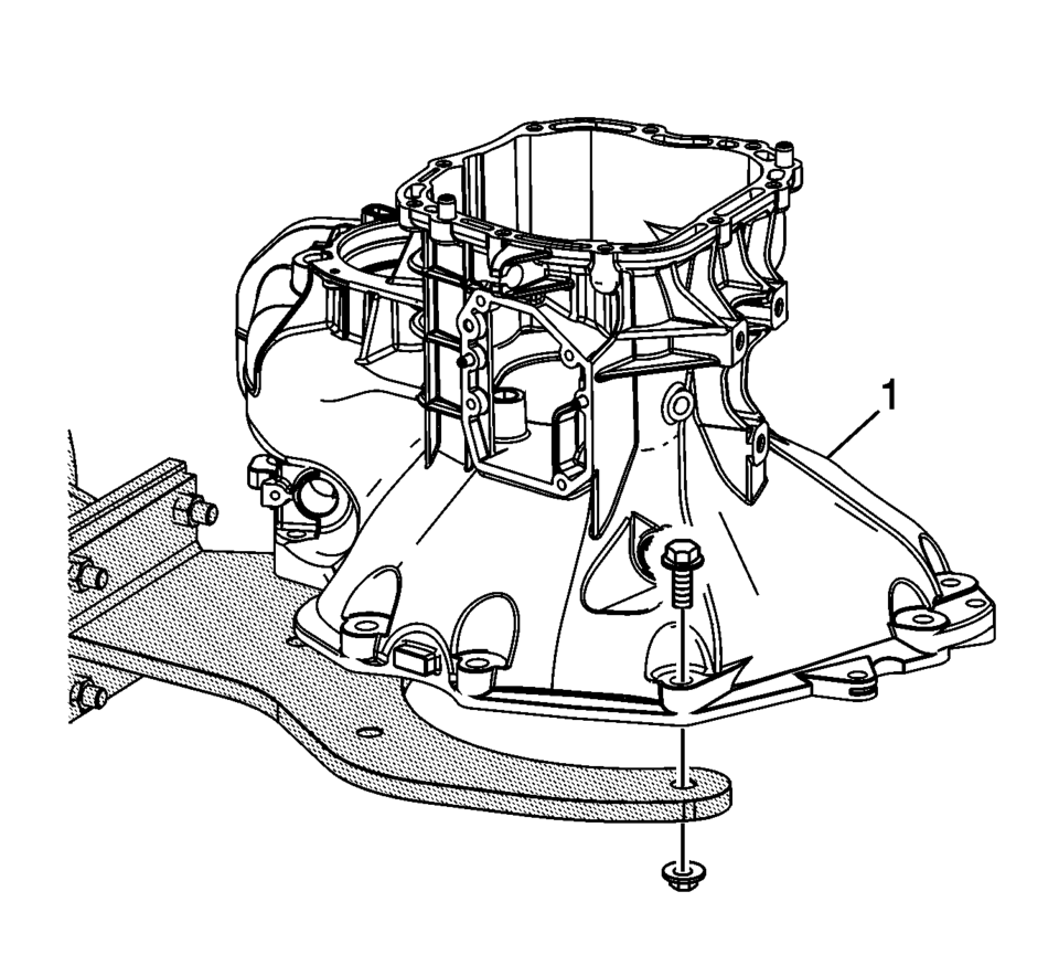
- Remove the clutch and differential housing (1) from the R-0007758
holding fixture .
Warning: Wear safety glasses to avoid injury when using compressed
air or any cleaning solvent. Bodily injury may occur if fumes are inhaled
or if skin is exposed to chemicals.
...
Differential Carrier Removal
Callout
Component Name
1
Differential Carrier Assembly
2
Final ...
Other materials:
Securing Child Restraints (Right Front Passenger Seat)
This vehicle has airbags. A rear seat is a safer place to secure a forward-facing
child restraint. See Where to Put the Restraint.
In addition, the vehicle has a passenger sensing system which is designed to
turn off the front outboard passenger frontal airbag and knee airbag under certain
co ...
Air Inlet Valve Actuator Replacement (LHD)
Air Inlet Valve Actuator Replacement
Callout
Component Name
Preliminary Procedures
Remove the instrument panel compartment. Refer to Instrument Panel
Lower Compartment Replacement.
Reposition any wiring or hoses to gain a ...
Camshaft Timing Chain Adjustment
Special Tools
EN-952 Fixing Pin
EN-953–A Fixing Tool
EN-49977?E00 Fixation Sensor Discs
For equivalent regional tools, refer to Special Tools.
Remove the ignition coil. Refer to Ignition Coil Replacement.
Remove the camshaft cover. Refer to Camshaft Cover Replacement.
Remove ...
© 2014-2025 Copyright www.csmans.com

0.0047