Chevrolet Sonic manuals

Chevrolet Sonic Repair Manual: Cruise Control Switch Replacement

Chevrolet Sonic Repair Manual / Accessories / Cruise Control / Cruise Control Switch Replacement



Cruise Control Switch Replacement

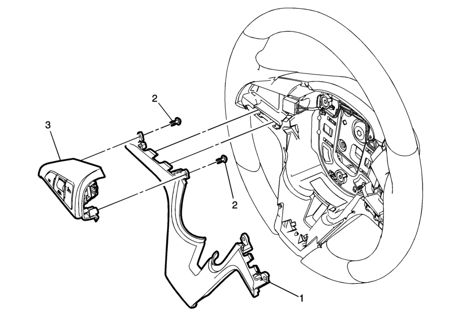
Callout

Component Name

Preliminary Procedure

Remove the steering wheel inflatable restraint module. Refer to Airbag Steering Wheel Module Replacement.

1

Steering Wheel Lower Cover

2

Steering Wheel Lower Cover Fastener (Qty: 2)

3

Cruise Control Switch Assembly

Procedure

Disconnect the electrical connector.

Cruise Control Description and Operation
Cruise control is a speed control system that maintains a desired vehicle speed under normal driving conditions at speeds above 40 km/h (25 mph). Steep grades may cause variations in t ...

Electronics
...

Other materials:

If the On Indicator Is Lit for a Child Restraint
If a child restraint has been installed and the on indicator is lit: 1. Turn the vehicle off. 2. Remove the child restraint from the vehicle. 3. Remove any additional items from the seat such as blankets, cushions, seat covers, seat heaters, or seat massagers. 4. Reinstall the child restraint ...

When to Add Engine Oil
1.8L Shown, 1.4L Similar If the oil is below the minimum mark on the dipstick, add 1 L (1 qt) of the recommended oil and then recheck the level. See “Selecting the Right Engine Oil” in this section for an explanation of what kind of oil to use. For engine oil crankcase capacity, see Cap ...

Tire Rotation and Required Services Every 12 000 km/ 7,500 mi
Rotate the tires, if recommended for the vehicle, and perform the following services. See Tire Rotation. Check engine oil level and oil life percentage. If needed, change engine oil and filter, and reset oil life system. See Engine Oil  and Engine Oil Life System. Check engine coo ...

© 2014-2026 Copyright www.csmans.com
 
0.005