Chevrolet Sonic Repair Manual: Engine Replacement
Special Tools
EN-48244 Engine Assembly Remove/Install Pallet Supporter
- Removal Procedure
-
- Remove the battery and battery tray. Refer to Battery Tray Replacement.
- Relieve the fuel system pressure. Refer to Fuel Pressure Relief.
- Recover the refrigerant. Refer to Refrigerant Recovery and Recharging.
- Remove the front tire and wheel assembly. Refer to Tire and Wheel Removal
and Installation.
- Remove the front bumper fascia. Refer to Front Bumper Fascia Replacement.
- Drain the cooling system. Refer to Cooling System Draining and Filling.
- Remove the lower intermediate steering shaft bolt (1) and slide the
shaft away from steering column. Refer to Intermediate Steering Shaft Replacement.
- Remove the air cleaner assembly (1). Refer to Air Cleaner Assembly Replacement.
- Remove the junction block cover (1).
- Remove the positive battery cable nut (1) from the junction block.
- Remove the positive battery cable (2) from the junction block.
- Remove the positive cable nut (1) and battery positive cable, from the
battery positive cable junction block.
- Disconnect the body wiring master harness connector (2), from the battery
positive cable junction block.
- Remove the junction block nut (1).
- Remove the junction block bolts (2).
- Disconnect the wiring harness from the junction block base.
- Remove the junction block (3) from the base.
- Disconnect the wiring harness plug from the front compartment fuse block.
- Reposition the wiring harness (1) on top of the engine.
- Remove the ground nuts (1) and reposition the wiring harness (2) aside.
- Disconnect the electrical connector and remove the brake booster hose (1)
.
- Disconnect the heater inlet hose (1) from the heater core. Refer to
Heater Inlet Hose Replacement.
- Disconnect the heater outlet hose (1) from the heater core. Refer to
Heater Outlet Hose Replacement.
- If equipped with an automatic transmission, disconnect the transmission
range selector lever cable terminal (1) from the transmission manual shift
lever pin.
- Remove the transmission range selector lever cable (2) from the cable
bracket.
\i
- If equipped with manual transmission, disconnect the shift lever and
selector lever cable end (1) from the transmission shift lever and selector
lever.
- Pull the cable retainers (2) to release the shift lever and selector
lever cable from the shift lever and selector lever cable bracket.
- Disconnect the shift lever and selector lever cable from the shift lever
and selector lever cable bracket.
- Remove the radiator surge tank (2) and position aside. Refer to Radiator
Surge Tank Replacement.
- Disconnect the fan connector.
inin
- Remove air conditioning compressor and condenser hose nut (1).
- Remove air conditioning compressor and condenser hose (2) from refrigerant
hose.
- Disconnect the fuel feed pipe (1). Refer to Plastic Collar Quick Connect
Fitting Service.
- Disconnect the evaporative emission pipe (1). Refer to Plastic Collar
Quick Connect Fitting Service.
- Remove the wheel drive shafts. Refer to Front Wheel Drive Shaft Replacement.
- Remove the front exhaust pipe. Refer to Exhaust Front Pipe Replacement.
- If equipped with an automatic transmission, remove the lower transmission
nut (1) and the lower transmission bolts (2, 3, 4).
- If equipped with manual transmission, remove the lower transmission
bolt (3) and nut (4).
- Remove the lower transmission bolts (1, 2).
- Remove the frame front bolts (1).
- Position the EN-48244 engine assembly remove/install pallet supporter
under the powertrain and support with blocks of wood.
- Remove the upper frame suspension retaining bolts (1) on both sides.
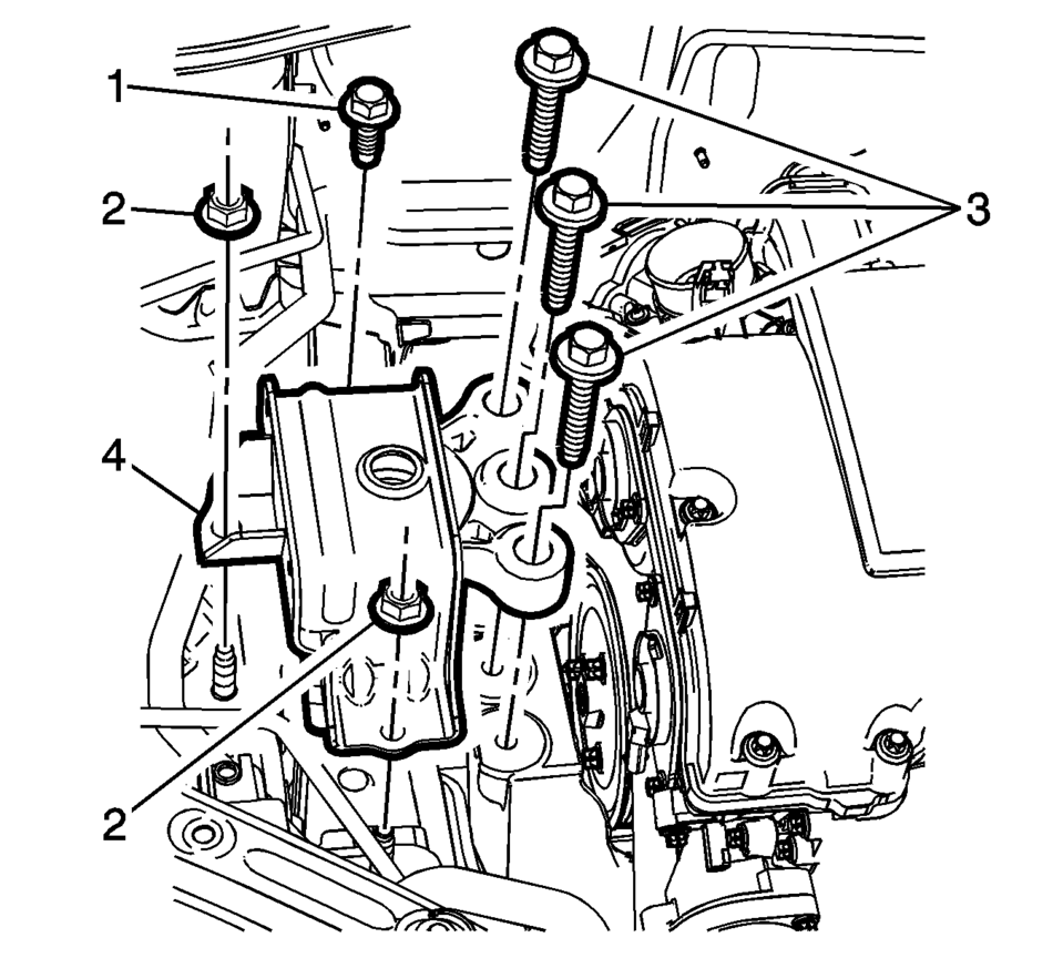
- Remove the right side engine mount (4). Refer to Engine Mount Replacement
- Right Side.
- Remove and DISCARD the transmission mount bolts (1) ?Eleft side. Refer
to Transmission Mount Replacement - Left Side.
- Disconnect any additional electrical connections as necessary.
- Raise the vehicle until the powertrain is clear for removal.
- If equipped with an automatic transmission, remove the starter. Refer
to Starter Replacement.
- Mark the relationship of the flex plate to the torque converter for
reassembly.
- Remove and DISCARD the flex plate to torque converter bolts (1).
- If equipped with an automatic transmission, remove the upper transmission
to engine bolts (1) and separate the engine and transmission.
- If equipped with manual transmission, remove the upper transmission
to engine bolts (1). And separate the engine and transmission.
- Disconnect any electrical connectors as needed.
- Transfer parts as necessary.
- Installation Procedure
-
- Install the transmission to the engine.
Caution:
Refer to Fastener Caution.
- If equipped with a manual transmission, install the upper transmission
to engine bolts (1) to 60 Y(44 lb ft)
.
- If equipped with automatic transmission, install the upper transmission
to engine bolts (1) and tighten to 60 Y (44 lb ft)
.
- If equipped with an automatic transmission, install the torque converter
to flex plate bolts (1) and tighten to 60 Y (44 lb ft)
.
- Install the starter. Refer to Starter Replacement.
- Position the powertrain under the vehicle and slowly lower the body
onto the powertrain.
Caution:
Refer to Torque-to-Yield Fastener Caution.
- Install the NEW left transmission mount to transmission bolts (1) and
tighten to 50 Y (37 lb ft) plus 70 degrees
.
- Install the right side engine mount (4). Refer to Engine Mount Replacement
- Right Side.
- Connect all previously disconnected electrical connections.
- Install the frame (3) rear bolts (2) and front bolts (1), tighten a
little bit.
- Install the frame (3) rear bolts (2) and tighten to 135 Y (100 lb ft)
.
- Install the frame (3) front bolts (1) and tighten to 58 Y (43 lb ft)
.
- Install the upper frame suspension retaining bolts (1) on both sides
and tighten to 135 Y (100 lb ft)
.
- Remove the lift table.
- If equipped with manual transmission, install the lower transmission
bolts (1) and tighten to 60 Y (44 lb ft)
.
- Install the lower transmission bolts (2) and tighten 40 Y (30 lb ft)
.
- Install the lower transmission bolt (3) and nut (4) and tighten to
40 Y (30 lb ft)
.
- If equipped with an automatic transmission, install the lower transmission
bolts (2, 4) and tighten to 60 Y (44 lb ft)
.
- Install the lower transmission bolts (3) and the lower transmission
nut (1) and tighten to 40 Y (30 lb ft)
.
- Install the front exhaust pipe. Refer to Exhaust Front Pipe Replacement.
- Install the wheel drive shafts. Refer to Front Wheel Drive Shaft Replacement.
- Connect the evaporative emission pipe (1). Refer to Plastic Collar Quick
Connect Fitting Service.
- Connect the fuel feed pipe (1). Refer to Plastic Collar Quick Connect
Fitting Service.
inin
- Install air conditioning compressor and condenser hose to the refrigerant
hose.
- Install air conditioning compressor and condenser hose nut (1) tighten
nut to 22 Y (16 lb ft)
.
- Install the radiator surge tank (2). Refer to Radiator Surge Tank Replacement.
- Connect the fan connector.
\i
- If equipped with manual transmission, Connect the shift lever and selector
lever cable end (1) to the transmission shift lever and selector lever.
- Connect the shift lever and selector lever cable to the shift lever
and selector lever cable bracket.
- Install the cable retainers (2) to the shift lever and selector lever
cable bracket.
- If equipped with automatic transmission, install the transmission range
selector lever cable (2) to the cable bracket.
- Connect the transmission range selector lever cable terminal (1) to
the transmission manual shift lever pin.
- Adjust the automatic transmission range selector lever cable. Refer
to Range Selector Lever Cable Adjustment.
- Connect the heater inlet hose (2) from the heater core. Refer to Heater
Inlet Hose Replacement.
- Connect the heater outlet hose (2) from the heater core. Refer to Heater
Outlet Hose Replacement.
- Connect the electrical connector and install the brake booster hose (1).
- Install the ground nuts (1) and wiring harness (2).
- Clip in the wiring harness plugs (1).
- Install the junction block to the base (3).
- Install the junction block bolts (2) and tighten to 5 Y (44 lb in)
.
- Install the junction block nut (1) and tighten to 5 Y (44 lb in)
.
- Install the battery positive cable to the battery positive cable junction
block and tighten nut (1) to 5 Y (44 lb in)
.
- Connect the body wiring master harness connector (2), to the battery
positive cable junction block.
- Position the positive battery cable (2) to the junction block.
- Install the positive battery cable nut (1) and tighten to 7 Y (62 lb in)
.
- Install the junction block cover (1).
- Install the air cleaner assembly (1). Refer to Air Cleaner Assembly
Replacement.
- Install the lower intermediate steering shaft bolt (1). Refer to Intermediate
Steering Shaft Replacement.
- Install the battery and battery tray. Refer Battery Tray Replacement.
- Install the front tire and wheel assembly. Refer to Tire and Wheel Removal
and Installation.
- Install the front bumper fascia. Refer to Front Bumper Fascia Replacement.
- Evacuate and charge the refrigerant system. Refer to Refrigerant Recovery
and Recharging.
- Fill the cooling system. Refer to Cooling System Draining and Filling.
Engine Number
Note: The engine identification number must be stamped to the
cylinder block in case of engine replacement.
The engine number is stamped to the engine blockR ...
Special Tools
J-45859 Wheel Drive Shaft Remover
CH-807 Closure Plugs
For equivalent regional tools, refer to Special Tools.
Removal Procedure
Remove the battery and battery tra ...
Other materials:
Securing Child Restraints (Right Front Passenger Seat)
This vehicle has airbags. A rear seat is a safer place to secure a forward-facing
child restraint. See Where to Put the Restraint.
In addition, the vehicle has a passenger sensing system which is designed to
turn off the front outboard passenger frontal airbag and knee airbag under certain
co ...
SIR Inflator Module Handling and Storage Warning
Warning: When carrying an undeployed inflator module:
Do not carry the inflator module by the wires or connector.
Make sure the air bag opening points away from you.
When storing an undeployed inflator module:
Make sure the air bag opening points away from the surface o ...
Mode Control Cam Replacement
\/
Mode Control Cam Replacement
Callout
Component Name
Preliminary Procedures
Remove the heater and air conditioning control. . Refer to Heater
and Air Conditioning Control Replacement
Remove the instrument panel lower tri ...
В© 2014-2025 Copyright www.csmans.com

0.0061