Chevrolet Sonic manuals

Chevrolet Sonic Repair Manual: Range Selector Lever Cable Adjustment

    Note:

    Adjust the automatic transmission range selector cable while the transmission and the gear selector are in the Park position only. Failure to do so may cause mis-adjustment.

  1. Set the park brake and chock the wheels.
  2. Verify the transmission range select lever is in the park position.
  3. Verify the transmission manual shift lever is in the park position.

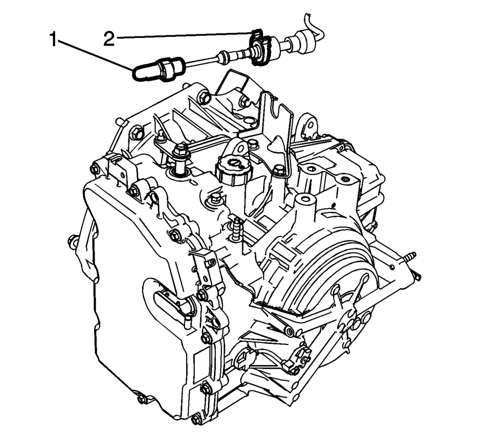
  4. Disconnect the range selector cable (2) from the range selector cable bracket.
  5. Disconnect the range selector cable end (1) from the range selector lever.
  6. Release the range select cable adjuster clip from the cable end (1).
  7. Connect the range selector cable (2) to the range selector cable bracket.
  8. Connect the range selector cable end (1) to the range selector lever.

  9. Depress the adjuster clip (1) locking the adjuster clip completely.
  10. Ensure the cable tube (2) is secure.
  11. Check the transmission range select lever in all gear selections for proper operation.
Manual Transmission Shift Lever and Selector Lever Cable Replacement
Removal Procedure Remove the battery tray. Refer to Battery Tray Replacement. \i Disconnect the shift lever and selector cable ends (1) from the transmission s ...

Range Selector Lever Cable Bracket Replacement
Removal Procedure Set the park brake and chock the wheels. Disconnect the range selector cable end (1) from the range selector lever. Disconnect the range selector ...

Other materials:

Radio and Telephone Control Switch Replacement
Radio and Telephone Control Switch Replacement Callout Component Name Preliminary Procedure Remove the sterring wheel inflatable restraint module. Refer to Airbag Steering Wheel Module Replacement. 1 ...

Basecoat/Clearcoat Paint Systems
Warning: Exposure to isocyanates during paint preparation and application processes can cause severe breathing problems. Read and follow all of the instructions from the manufacturers of painting materials, equipment, and protective gear. All paint finish repairs of rigid exterior sur ...

Engine Block Assemble
Install the 4 piston oil nozzles (1). Caution: Refer to Fastener Caution. Install the 4 piston oil nozzle bolts (2) and tighten to  25 Y (18 lb ft). Install the knock sensor (2). Install the knock se ...

В© 2014-2025 Copyright www.csmans.com
 
0.0062