Chevrolet Sonic manuals

Chevrolet Sonic Repair Manual: Starter Removal


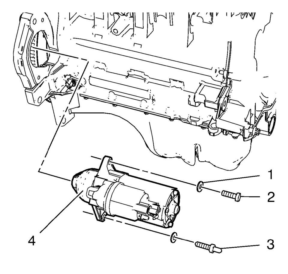
    Remove the upper starter bolt (2) and if equipped the washer (1).
  1. Remove the upper starter bolt (2) and if equipped the washer (1).
  2. Remove the lower starter bolt stud (3) and if equipped the washer.
  3. Remove the starter (4).
Starter Installation
Install the starter (4). Install the lower starter bolt stud (3) and if equipped the washer. Install the upper starter bolt (2) and if equipped the washer (1). ...

Starter Replacement (LUV)
Removal Procedure Disconnect the battery negative cable. Refer to  Battery Negative Cable Disconnection and Connection. Raise and support the vehicle. Refer to Lifting and J ...

Other materials:

If No Steam Is Coming from the Engine Compartment
If an engine overheat warning is displayed but no steam can be seen or heard, the problem may not be too serious. Sometimes the engine can get a little too hot when the vehicle: Climbs a long hill on a hot day. Stops after high-speed driving. Idles for long periods in traffic. If the ...

Service Publications Ordering Information
Service Manuals Service Manuals have the diagnosis and repair information on the engines, transmission, axle, suspension, brakes, electrical, steering, body, etc. Service Bulletins Service Bulletins give additional technical service information needed to knowledgeably service General Motors c ...

Drive Range - Fourth Gear (Gen 2)
As vehicle speed increases, the transmission control module (TCM) processes input signals from the automatic transmission input and output speed sensors, the throttle position sensor and other vehicle sensors to determine the precise moment to command OFF the normally-low 35R pressure control ...

В© 2014-2026 Copyright www.csmans.com
 
0.0043