Chevrolet Sonic Repair Manual: Transmission Case Assemble (Gen 2)
		
		
			
		Special Tools
	- 3-9506289 Universal Adapter 
- J-840733 Driver 
- R-0007758 Holding Fixture 
- R-0007761 Universal Handle 
- R-0007770 Holding Fixture Adapter Plates 
- T-9804669 Seal Installer 
- T-0307000 Extractor and Driver Fixture 
For equivalent regional tools, refer to Special Tools.
	
	 
	- Install the reverse helical gear washer (3) onto the reverse 
	idler gear shaft.
- Install the reverse idler gear shaft retaining ball (2).
- Install the reverse idler gear shaft (1).
 
	
	- Using T-9804669 seal installer (2) and R-0007761 
	handle (1), install the mainshaft bearing (3) into the case. 
	 
	
	- Install the mainshaft bearing retaining ring (1).
 
	
	- Install the following components onto the T-0307000 
	driver fixture with top plate removed. 
	- Main shaft (2)
- Reverse helical gear (5)
- Reverse synchro assembly (4)
- Reverse spur gear (3)
- Input Shaft (6)
 
	Note: 
While pressing, pay attention to the input shaft bearing retaining 
	ring, because it can be pressed into the first gear. 
 
Guide the shafts (1?) into the bores, and support the reverse 
idler gear (3) while pressing into the case. 
 Using the T-0307000 driver fixture, press the 5th gear 
bearing race (1) onto the mainshaft.
Using the T-0307000 driver fixture, press the 5th gear 
bearing race (1) onto the mainshaft. 
 
	Note: 
The reverse gear shaft snap ring (3) MUST be installed even 
	if not originally equipped to prevent shifting issues caused by incorrect assembly 
	or parts not in position. 
 
Install the reverse spur gear bearing (1), reverse spur gear 
washer (2), and reverse gear shaft snap ring (3). 
 Install the case and shafts assembly onto the R-0007770 adapter plates (1) 
and R-0007758 holding fixture (2).
Install the case and shafts assembly onto the R-0007770 adapter plates (1) 
and R-0007758 holding fixture (2). 
 Install the input shaft bearing retaining ring (1).
Install the input shaft bearing retaining ring (1). 
 Install the 1st and 2nd shaft block (2).
Install the 1st and 2nd shaft block pin (3) to the dimension ??depth of 
2 mm (0.80 in)
Install the 1st and 2nd shaft block (2).
Install the 1st and 2nd shaft block pin (3) to the dimension ??depth of 
2 mm (0.80 in). 
Install the 1st and 2nd shift fork (4).
Install the 1st and 2nd shift shaft (1).
Install the 1st and 2nd shift fork pin (5) to the dimension ??depth of 
2 mm (0.80 in). 
 Install the gearshift rod (1) into the transmission case.
Install the gearshift rod (1) into the transmission case. 
 Install the 5th shift blocking guide (1) into the transmission case.
Install the 5th shift blocking guide (1) into the transmission case.
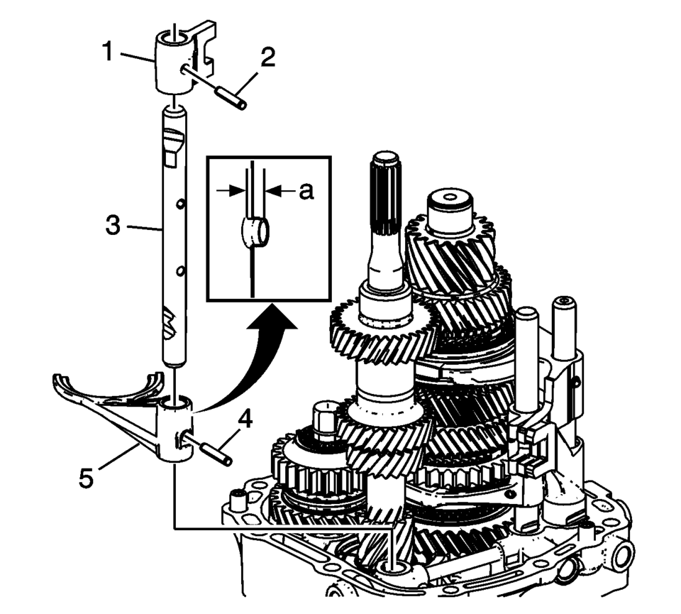
 Install the 3rd and 4th shift fork (2).
Install the 3rd and 4th shift shaft (1).
Install the 3rd and 4th shift fork pin (3) to the dimension ??depth of 
2 mm (0.80 in)
Install the 3rd and 4th shift fork (2).
Install the 3rd and 4th shift shaft (1).
Install the 3rd and 4th shift fork pin (3) to the dimension ??depth of 
2 mm (0.80 in). 
 Install the reverse fork block (1).
Install the reverse fork block pin (2) to the dimension ??depth of 2 mm 
(0.80 in)
Install the reverse fork block (1).
Install the reverse fork block pin (2) to the dimension ??depth of 2 mm 
(0.80 in). 
Install the reverse shift fork (5).
Install the reverse shift shaft (3).
Install the reverse shift fork pin (4) to the dimension ??depth of 2 mm 
(0.80 in). 
 Using a plastic hammer or equivalent install the 4 shift shaft detent sleeves (1?) 
into the transmission case until they stop.
Using a plastic hammer or equivalent install the 4 shift shaft detent sleeves (1?) 
into the transmission case until they stop. 
 
	Note: 
Engage the shift shafts into 2nd gear, 5th gear, and 3rd gear 
	as indicated with arrows to install the interlock pin connector. 
 
Install the shift shaft interlock pin connector (1).
Using thread locking compound install the shift shaft interlock pin connector 
bolts (2) and tighten to 7 Y (62 lb in).
 
	Note: 
Move shift forks into neutral position. 
 
Install the parking pawl (2).
	Caution: 
Refer to Fastener Caution.
	
 
Using thread locking compound install the parking pawl retaining bolts (1) and 
tighten to 7 Y (62 lb in). 
 Remove case and shafts assembly from R-0007770 adapter plates and install 
onto T-0307000 driver fixture. 
Using J-840733 driver, press the 5th gear, driving (1) onto the input 
shaft.
Remove case and shafts assembly from R-0007770 adapter plates and install 
onto T-0307000 driver fixture. 
Using J-840733 driver, press the 5th gear, driving (1) onto the input 
shaft. 
 Install a NEW 5th gear retaining ring (1).
Install a NEW 5th gear retaining ring (1). 
 Install the 5th gear bearing assembly (3).
Install the 5th gear assembly, driven (2).
Install the 5th gear blocking ring (1).
Install the 5th gear bearing assembly (3).
Install the 5th gear assembly, driven (2).
Install the 5th gear blocking ring (1). 
 Ensure that the synchronizer assembly (1) is functioning properly, refer to
Synchronizers Cleaning and Inspection and
Synchronizers Assemble. 
Using the J-840733 driver and a press, install the 5th gear synchronizer 
assembly (1).
Ensure that the synchronizer assembly (1) is functioning properly, refer to
Synchronizers Cleaning and Inspection and
Synchronizers Assemble. 
Using the J-840733 driver and a press, install the 5th gear synchronizer 
assembly (1). 
 Install the 5th gear sychronizing hub retaining ring (1).
Install the 5th gear sychronizing hub retaining ring (1). 
 Remove the case and shafts assembly from the T-0307000 driver fixture.
Install R-0007770 adapter plates (1) onto case (2) and then attach to
R-0007758 holding fixture (3).
Remove the case and shafts assembly from the T-0307000 driver fixture.
Install R-0007770 adapter plates (1) onto case (2) and then attach to
R-0007758 holding fixture (3). 
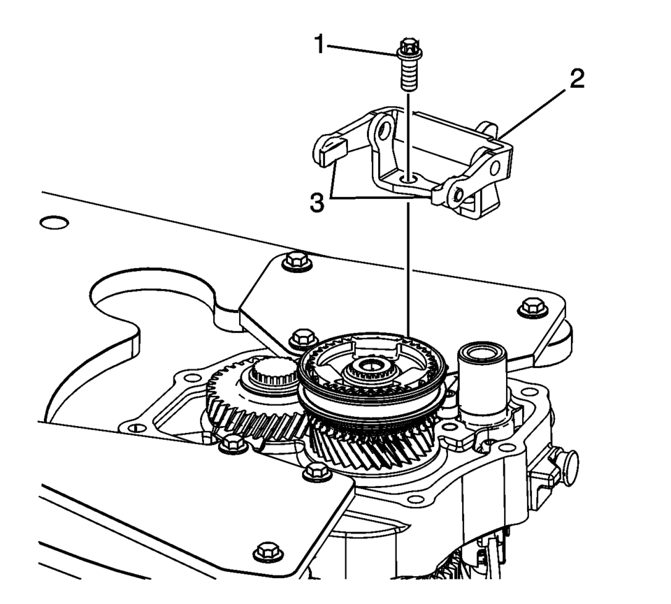
 Install the 5th shift fork shoes (3).
Install the 5th shift fork bracket assembly (2).
Using thread locking compound install the 5th shift fork bracket bolts (1) and 
tighten to 22 Y (16 lb ft)
Install the 5th shift fork shoes (3).
Install the 5th shift fork bracket assembly (2).
Using thread locking compound install the 5th shift fork bracket bolts (1) and 
tighten to 22 Y (16 lb ft). 
 Remove the transmission case, from the R-0007770 adapter plates (1) the
R-0007758 holding fixture and 3-9506289 adapter.
Remove the transmission case, from the R-0007770 adapter plates (1) the
R-0007758 holding fixture and 3-9506289 adapter. 
   Special Tools
	3-9506289 Universal Adapter 
	J-840733 Driver 
	R-0007758 Holding Fixture 
	R-0007761 Universal Handle 
	R-0007770 Holding Fixture Adapter Plates 
	T-9804669 Seal Installer 
	T-0 ...
   
 
   Special Tools
	3-9506289 Universal Adapter 
	J-810700 Mainshaft Bearing Remover 
	J-810704 Center Bar Puller 
	M-680770 Universal Sliding Mallet 
	R-0007758 Holding Fixture 
	R-0007770 Holding F ...
   
 
   Other materials:
Ignition Positions
  		
The ignition switch has four different positions.
To shift out of P (Park), the ignition must be in ON/RUN and the regular brake 
pedal applied.
1 (STOPPING THE ENGINE/LOCK/ OFF): When the vehicle is stopped, turn the ignition 
switch to LOCK/ OFF to turn the engine off.
This position locks t ...
   	
Rear Wiper Blade Replacement
  		
1. Pull the wiper arm a short distance away from the glass (1).
2. Pull the blade out from the arm (2).
It may require extra effort to remove the old blade.
3. Once the blade pin disengages from the wiper arm, remove the wiper blade by 
sliding the pin out of the guide hole.
4. Reverse the  ...
   	
Radiator Upper Bracket Replacement
  		
	Radiator Upper Bracket Replacement
	
		
	
	
		
			
			Callout
			
			
			Component Name
			
		
	
	
		
		Preliminary Procedure 
		Remove the front bumper fascia assembly. Refer to Front Bumper Fascia 
		Replacement. 
		
	
	
		
		1
		
		
		Radiator Upper Bracket Fasten ...
   	
 
		
			В© 2014-2025 Copyright www.csmans.com
			
				
 

0.0096