Chevrolet Sonic Repair Manual: Transmission Case Disassemble (Gen 1)
Special Tools
- 3-9506289 Universal Adapter
- J-810700 Mainshaft Bearing Remover
- J-810704 Center Bar Puller
- M-680770 Universal Sliding Mallet
- R-0007758 Holding Fixture
- R-0007770 Holding Fixture Adapter Plates
- T-0307000 Extractor and Driver Fixture
- T-9807671 Slide Hammer
For equivalent regional tools, refer to Special Tools.
- Install both plates of the R-0007770 holding fixture
adapter plates to the transmission case assembly (1).
- Install the transmission case, with the R-0007770
holding fixture adapter plates (1) to the R-0007758 holding fixture
(2) and 3-9506289 universal adapter .
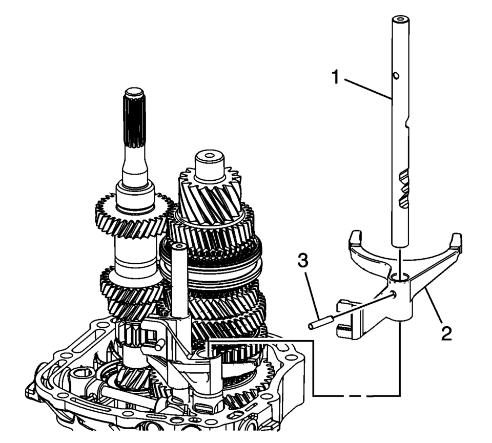
- Remove the 5th shift fork bracket retaining bolts (1).
- Remove the 5th shift fork bracket assembly (2).
- Remove the 5th gear synchronizing hub retaining ring (1).
- Using the J-810704 puller , remove the 5th gear
synchronizer assembly (1).
- Remove the 5th gear blocking ring (1).
- Remove the 5th gear assembly, driven (2).
- Remove the 5th gear bearing assembly (3).
- Remove the 5th gear retaining ring (1).
- Using the J-810704 puller , remove the 5th gear, driving (1).
Note:
The parking pawl bolts are micro-encapsulated and may require
that the transmission case be heated to 80?C (176?F) with a heat gun.
- Remove the parking pawl retaining bolts (1).
- Remove the parking pawl (2).
..
- Using the M-680770 sliding mallet adapter (2) and the T-9807671
slide hammer (1), remove the 4 shift shaft detent sleeves (3?) from the transmission
case.
Note:
- The bolts are micro-encapsulated and may require that the transmission
case be heated to 80?C (176?F) with a heat gun.
- Engage the shift shafts into 3rd gear and 5th gear as indicated
with arrows to remove the interlock pin connector.
- Remove the shift shaft interlock pin connector bolts (2).
- Remove the shift shaft interlock pin connector (1).
- Remove the reverse shift fork pin (3).
- Remove the reverse shift shaft (1).
- Remove the reverse shift fork (2).
- Use a block of wood (1) to relieve the pressure on the gearshift rod guides.
- Remove the 3rd and 4th shift fork pin (3).
- Remove the 3rd and 4th shift shaft (1).
- Remove the 3rd and 4th shift fork (2).
- Remove the 5th shift blocking guide (1) from the transmission case.
- Remove the gearshift rod (1) from the transmission case.
- Insert a block of wood (2) to relieve pressure on the gearshift rod guides.
- Remove the 1st and 2nd shift fork pin (3).
- Remove the 1st and 2nd shift shaft (1).
- Remove the 1st and 2nd shift fork (2).
- Remove the input shaft bearing retaining ring (1) from the bore, and leave
it on the shaft.
- Remove the transmission case from R-0007770 adapter plates and install
onto the T-0307000 fixture .
Note:
Be prepared to support the reverse idler gear, input shaft
and mainshaft as they are pressed from the case.
- Support the mainshaft (3), input shaft (2) and reverse idler gear (1) while
pressing the shafts from the case.
- Remove the input shaft (4), reverse idler gear (3) and mainshaft (2) from
the T-0307000 fixture .
- Remove the 5th gear bearing race (1) from the transmission case.
- Remove the mainshaft bearing retaining ring (1).
- Using J-810700 mainshaft bearing remover , remove the mainshaft bearing (1)
from the case.
- Remove the reverse idler gear shaft (1) from the case.
- Remove the reverse idler gear shaft retaining ball (2).
Special Tools
3-9506289 Universal Adapter
J-840733 Driver
R-0007758 Holding Fixture
R-0007761 Universal Handle
R-0007770 Holding Fixture Adapter Plates
T-9804669 Seal Installer
T-0 ...
Special Tools
3-9506289 Universal Adapter
J-810700 Mainshaft Bearing Remover
J-810704 Center Bar Puller
M-680770 Universal Sliding Mallet
R-0007758 Holding Fixture
R-0007770 Holding F ...
Other materials:
Engine Coolant Temperature Warning Light
This light comes on briefly while starting the vehicle.
If it does not, have the vehicle serviced by the dealer. If the system is working
normally the indicator light goes off.
Caution
The engine coolant temperature warning light indicates that the vehicle has
overheated. Driving with this ...
Replacing LATCH System Parts After a Crash
Warning: A crash can damage the LATCH system in the vehicle. A damaged
LATCH system may not properly secure the child restraint, resulting in serious
injury or even death in a crash. To help make sure the LATCH system is working
properly after a crash, see your dealer to have the system ...
Clutch and Differential Housing Cleaning and Inspection
Warning: Wear safety glasses to avoid injury when using compressed
air or any cleaning solvent. Bodily injury may occur if fumes are inhaled
or if skin is exposed to chemicals.
Clean the clutch housing (1) with a suitable solvent.
Air dry all the parts.
Inspect ...
В© 2014-2025 Copyright www.csmans.com

0.0046