Basic information
The automatic climate control system in the Nissan Armada is designed to provide maximum comfort and convenience for both driver and passengers. You can operate the system either through the dedicated front air conditioner control panel or directly via the touchscreen climate control interface, depending on your preference and driving situation.

Example
To access the climate control interface in the Nissan Armada, simply tap the
"
"
key 1 on the touchscreen display.
You can also quickly adjust selected climate settings without opening the full
climate menu by pressing the "
"
or "
"
icons (if equipped), even while other screens are displayed.
When the air conditioning system in the Nissan Armada is active, the currently set temperature is displayed at the bottom of the screen. You can conveniently adjust it by touching the temperature display area directly.

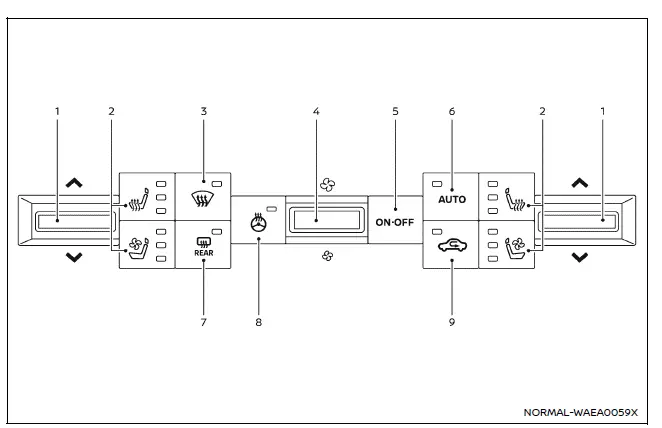
Front air conditioner control panel (example)

Climate control screen (example)
front defroster control
rear window defroster controlAutomatic operation
Cooling and/or dehumidified heating (AUTO):
The Nissan Armada automatic mode is ideal for year-round use. Once activated, the system intelligently maintains your selected cabin temperature by automatically adjusting airflow distribution and fan speed for optimal comfort.
1. Press the AUTO button or key (the indicator will illuminate and the key color will change to orange).
2. Adjust the desired temperature using the temperature control switches or touchscreen controls.
In hot and humid conditions, you may notice a light mist coming from the vents. This is a normal result of rapid cooling and does not indicate a malfunction.
Heating (A/C OFF):
Use this mode when only heating is required without activating the air conditioning system in your Nissan Armada.
1. Activate AUTO mode.
2. Tap the "A/C" key to deactivate cooling (key turns white).
3. Set your preferred temperature.
NOTE:
Dehumidified defrosting or defogging:
1. Press the
button (indicator illuminates).
2. Adjust the temperature as needed.
Manual operation
Fan speed control:
You can manually control fan speed in your Nissan Armada using physical controls or touchscreen settings for precise airflow adjustment.
Air intake control:
The air intake mode cycles each time the control is activated.
"
icon is displayed, intake is controlled automatically.Air flow control:
The Nissan Armada allows manual selection of airflow direction:
- Air directed to center and side vents.
- Air directed to footwell and partially to windshield.
- Air directed mainly to windshield defroster.
The airflow distribution can be monitored and adjusted individually on the Nissan Armada touchscreen. Swipe gestures allow you to control airflow intensity dynamically.
Temperature color indicators reflect the selected setting, not the actual air temperature.
Synchronize temperature settings:
Press the "SYNC" key to activate synchronized climate control in the Nissan Armada. When active (orange), one control adjusts all zones simultaneously.
If individual zone temperatures are changed, SYNC will partially or fully deactivate depending on the adjustments.
Turning the system on/off
Use the ON·OFF button or touchscreen key to power the system.
Advanced Climate Control System (if equipped)
The Nissan Armada Advanced Climate Control System enhances cabin air quality using ionization technology and intelligent air intake management.
Exhaust gas detection sensor:
This system automatically detects harmful exhaust gases such as gasoline or diesel fumes. When detected, the Nissan Armada switches from outside air intake to recirculation mode to protect occupants.
The system operates under the following conditions:
Remote engine start logic
When remote engine start is activated in the Nissan Armada, the climate system automatically selects heating or cooling based on ambient and cabin temperatures. During this time, controls may be temporarily unavailable until ignition is switched to ON.
In colder conditions, the rear window defroster may also activate automatically, ensuring optimal visibility and comfort from the moment you enter your Nissan Armada.
Basic information
Rear automatic air conditioning systemRear Compartment Lid Hinge Torque Rod Replacement
Rear Compartment Lid Hinge Torque Rod Replacement
Callout
Component Name
Warning: Refer to Hood Hold-Open Device Warning.
Preliminary Procedure
Open and support the rear compartment lid.
Special Tools
BO-125 ...
Brake Caliper Inspection
Warning: Refer to Brake Dust Warning.
Inspect the brake caliper housing (1) for cracks, excess wear, and/or damage.
If any of these conditions are present, the brake caliper requires replacement.
Inspect the caliper piston dust boot seal (2) for cracks, tears, ...
Transmission Replacement (With 1.6L or 1.8L Engine)
Removal Procedure
Remove the battery tray. Refer to
Battery Tray Replacement.
Without draining the coolant or removing the hoses,
remove and position aside the radiator surge tank. Refer to
Radiator Surge Tank Replacement.
Remove the transmission range selector lever c ...